Магазин запчастей для бытовой техники - Arlos
Москва
close
Выберите ваш регион
АбаканАлександровАльметьевскАнгарскАрзамасАрмавирАртемАрхангельскАстраханьАчинскБалаковоБалашихаБеларусьБелгородБердскБерезникиБийскБлаговещенскБратскБрянскВеликий НовгородВидноеВладивостокВладикавказВладимирВолгоградВолгодонскВолжскийВологдаВолховВоркутаВоронежВоскресенскВыборгГатчинаГеленджикГрозныйДедовскДербентДзержинскДзержинскийДимитровградДмитровДолгопрудныйДомодедовоДонецкЕвпаторияЕгорьевскЕкатеринбургЕлецЕссентукиЖелезногорскЖелезнодорожныйЖуковскийЗеленоградЗлатоустИвановоИвантеевкаИжевскИркутскИстраЙошкар-ОлаКазаньКалининградКалугаКаменск-УральскийКамышинКаспийскКемеровоКерчьКировКисловодскКлинКовровКоломнаКомсомольск-на-АмуреКопейскКоролёвКостромаКотельникиКрасногорскКраснодарКраснознаменскКрасноярскКурганКурскКызылЛенинск-КузнецкийЛипецкЛобняЛыткариноЛюберцыМагнитогорскМайкопМалаховкаМахачкалаМиассМоскваМурманскМуромМытищиНабережные ЧелныНазраньНальчикНаро-ФоминскНахабиноНаходкаНевинномысскНефтекамскНефтеюганскНижневартовскНижнекамскНижний НовгородНижний ТагилНовокузнецкНовокуйбышевскНовомосковскНовороссийскНовосибирскНовоуральскНовочебоксарскНовочеркасскНовошахтинскНовый УренгойНогинскНорильскНоябрьскОбнинскОдинцовоОктябрьскийОмскОрелОренбургОрехово-ЗуевоОрскПавловский ПосадПензаПервоуральскПермьПетрозаводскПетропавловск-КамчатскийПодольскПрокопьевскПсковПушкиноПятигорскРаменскоеРеутовРостов-на-ДонуРубцовскРыбинскРязаньСакиСалаватСамараСанкт-ПетербургСаранскСаратовСевастопольСеверодвинскСеверскСергиев ПосадСерпуховСимферопольСмоленскСосновый БорСочиСтавропольСтарый ОсколСтерлитамакСтупиноСургутСызраньСыктывкарТаганрогТамбовТверьТихвинТольяттиТомилиноТомскТроицкТулаТюменьУлан-УдэУльяновскУссурийскУсть-ИлимскУфаУхтаФеодосияФрязиноХабаровскХанты-МансийскХасавюртХимкиЧебоксарыЧелябинскЧереповецЧеркесскЧеховЧитаШахтыЩелковоЭлектростальЭлистаЭнгельсЮжно-СахалинскЯкутскЯлтаЯрославль
  • - бесплатно по РФ
    Автоперезвон. Работает по принципу: Вы позвонили на номер, мы сбрасываем звонок и перезваниваем через 3 секунды.
  • - по Москве
  • 8 (925) 663-83-63

Call-центр

пн-вс: 10:00-19:00

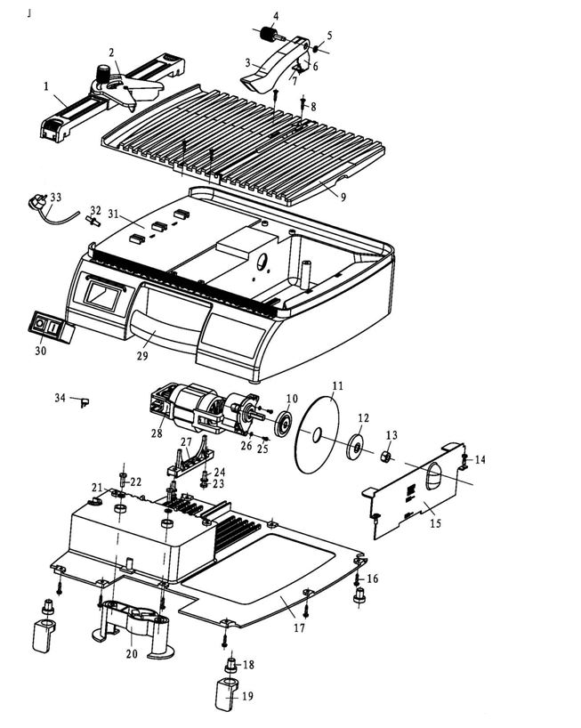
ЗАПЧАСТИ ДЛЯ ПЛИТКОРЕЗА ЭЛЕКТРИЧЕСКОГО ELITECH ПЭ 450

NАртикулНазваниеСрок отгрузкиЦенаКупить
1 1102.020000 Упор параллельный BD2014-TC115A-0001: ПЭ450 693 р.
2 1102.020100 Упор угловой
3 1102.020200 Кожух защитный верхний
4 1102.020300 Винт барашковый
5 1102.020400 Гайка
6 1102.020500 Нож расклинивающий
7 1102.020600 Винт
8 1102.020700 Винт
9 1102.020800 Стол рабочий,BD2014-TC115A-0009 777 р.
10 1102.020900 Фланец прижимной внутренний 327 р.
11 1102.021000 Диск алмазный
12 1102.021100 Фланец прижимной внешний 327 р.
13 1102.021200 Гайка
14 1102.021300 Винт
15 1102.021400 Перегородка
16 1102.021500 Винт
17 1102.021600 Основание
18 1102.021700 Ножки
19 1102.021800 Упор
20 1102.021900 Зажим провода
21 1102.022000 Шайба
22 1102.022100 Винт
23 1102.022200 Винт
24 1102.022300 Шайба
25 1102.022400 Винт
26 1102.022500 Шайба
27 1102.022600 Кронштейн эл. двигателя
28 1102.022700 Электродвигатель в сборе, 220В, 450Вт. BD2014-TC115A-0028. ПЭ 450 2.519 р.
29 1102.022800 Рукоятка в сборе (комплект 2 части)
30 1102.022900 Выключатель,BD2014-TC115A-0030, аналог 1101.006900 418 р.
31 1102.023000 Контейнер пластиковый,BD2014-TC115A-0031 2.198 р.
32 1102.023100 Изолятор кабеля сетевого
33 1102.023200 Кабель сетевой в сборе с вилкой
34 1102.023300 Конденсатор
Найдено товаров: 34
1
▲ Наверх
0
8 (925) 663-83-63

Call-центр

пн-вс: 10:00-19:00

НАЙТИ ПО МОДЕЛИ
Введите номер заказа
Введите номер своего заказа, что бы узнать его текущий статус.
Что бы получить доступ к расширенным функциям, пройдите не сложную регистрацию. Зарегистрироваться